Our projects: ScaleModels.ru : Search : ScaleWiki : Souvenir Shop :
Вход Карта Популярные Свежие Login with OpenID Зарегистрироваться
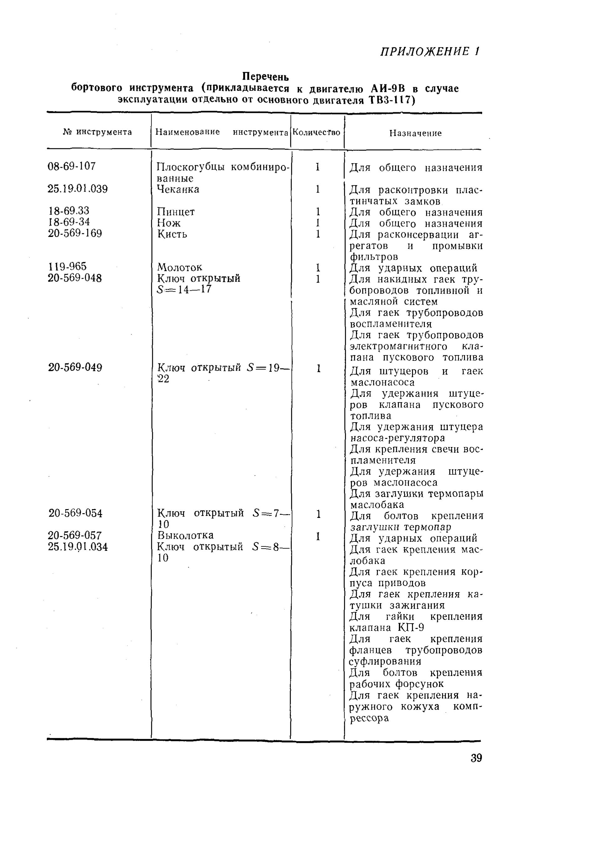
Галерея Технические описания Газотурбинный двигатель АИ-9В. Инструкция по эксплуатации и техническому обслуживанию. Книга 2. VSU_AI-9V_IE_TO_040


Расширенный поиск
Добавить фото в накопитель Экспорт RSS фото

Газотурбинный двигатель АИ-9В. Инструкция по эксплуатации и техническому обслуживанию. Книга 2.

1. VSU_AI-9V_I... ... 37. VSU_AI-9V_I... 38. VSU_AI-9V_I... 39. VSU_AI-9V_I... 40. VSU_AI-9V_I... 41. VSU_AI-9V_I... 42. VSU_AI-9V_I... 43. VSU_AI-9V_I... ... 46. VSU_AI-9V_I...

VSU_AI-9V_IE_TO_040

Дата: 14.10.2025
Полный размер: 1913x2705
следующаяпоследняя
первая предыдущая
VSU_AI-9V_IE_TO_040
следующаяпоследняя
первая предыдущая