Our projects: ScaleModels.ru : Search : ScaleWiki : Souvenir Shop :
Вход Карта Популярные Свежие Login with OpenID Зарегистрироваться
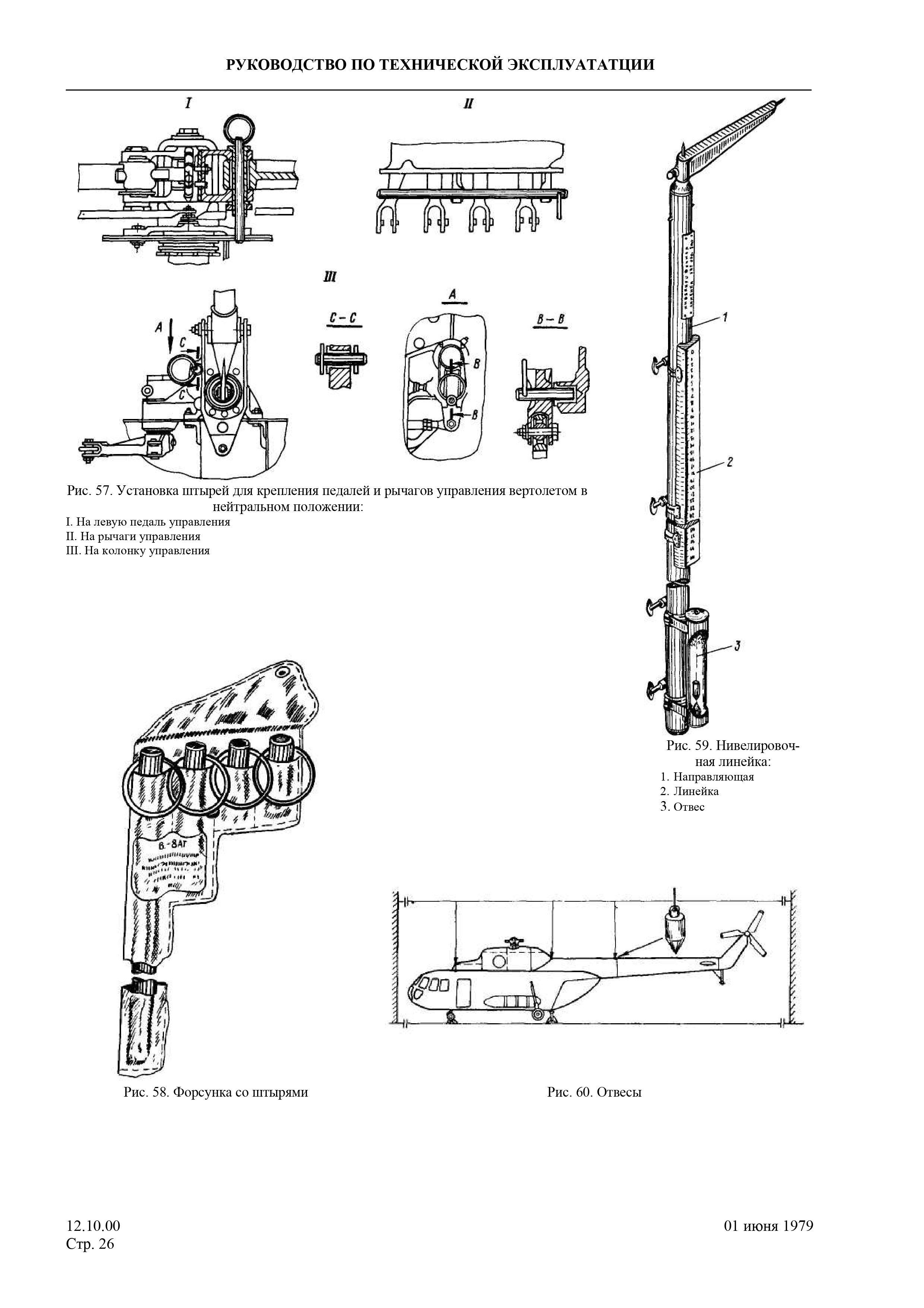
Галерея Технические описания Ми-8МТ. Руководство по технической эксплуатации. Книга 1. Общие сведения и вертолёте. Mi-8MTV_RTE_B1_101


Расширенный поиск
Добавить фото в накопитель Экспорт RSS фото

Ми-8МТ. Руководство по технической эксплуатации. Книга 1. Общие сведения и вертолёте.

1. Mi-8MTV_RTE... ... 98. Mi-8MTV_RTE... 99. Mi-8MTV_RTE... 100. Mi-8MTV_RTE... 101. Mi-8MTV_RTE... 102. Mi-8MTV_RTE... 103. Mi-8MTV_RTE... 104. Mi-8MTV_RTE... ... 185. Mi-8MTV_RTE...

Mi-8MTV_RTE_B1_101

Дата: 21.07.2025
Полный размер: 2480x3509
следующаяпоследняя
первая предыдущая
Mi-8MTV_RTE_B1_101
следующаяпоследняя
первая предыдущая