Our projects: ScaleModels.ru : Search : ScaleWiki : Souvenir Shop :
Вход Карта Популярные Свежие Login with OpenID Зарегистрироваться
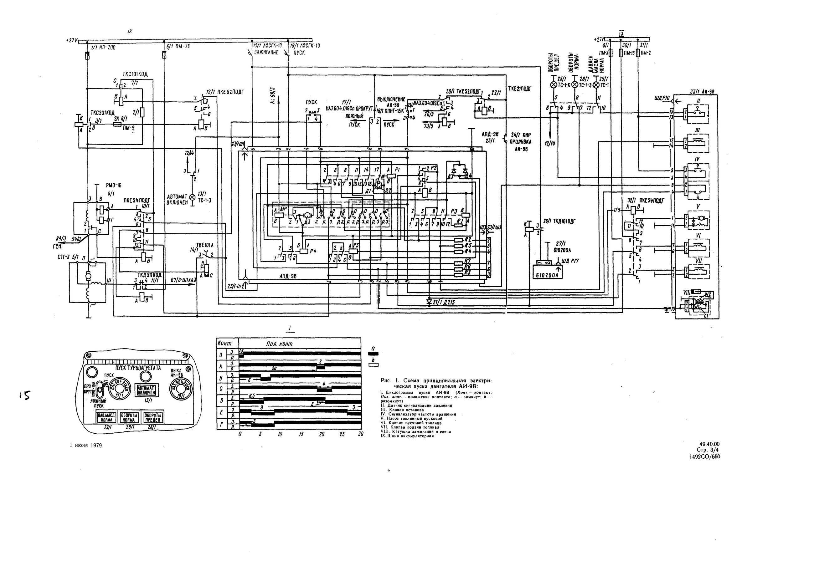
Галерея Технические описания Ми-8МТ. Руководство по технической эксплуатации. Книга 4. Силовая установка. Mi-8MTV_RTE_B4_021


Расширенный поиск
Добавить фото в накопитель Экспорт RSS фото

Ми-8МТ. Руководство по технической эксплуатации. Книга 4. Силовая установка.

1. Mi-8MTV_RTE... ... 18. Mi-8MTV_RTE... 19. Mi-8MTV_RTE... 20. Mi-8MTV_RTE... 21. Mi-8MTV_RTE... 22. Mi-8MTV_RTE... 23. Mi-8MTV_RTE... 24. Mi-8MTV_RTE... ... 278. Mi-8MTV_RTE...

Mi-8MTV_RTE_B4_021

Дата: 18.08.2025
Размер:
Полный размер: 4996x3538
следующаяпоследняя
первая предыдущая
Mi-8MTV_RTE_B4_021
следующаяпоследняя
первая предыдущая