Our projects: ScaleModels.ru : Search : ScaleWiki : Souvenir Shop :
Вход Карта Популярные Свежие Login with OpenID Зарегистрироваться
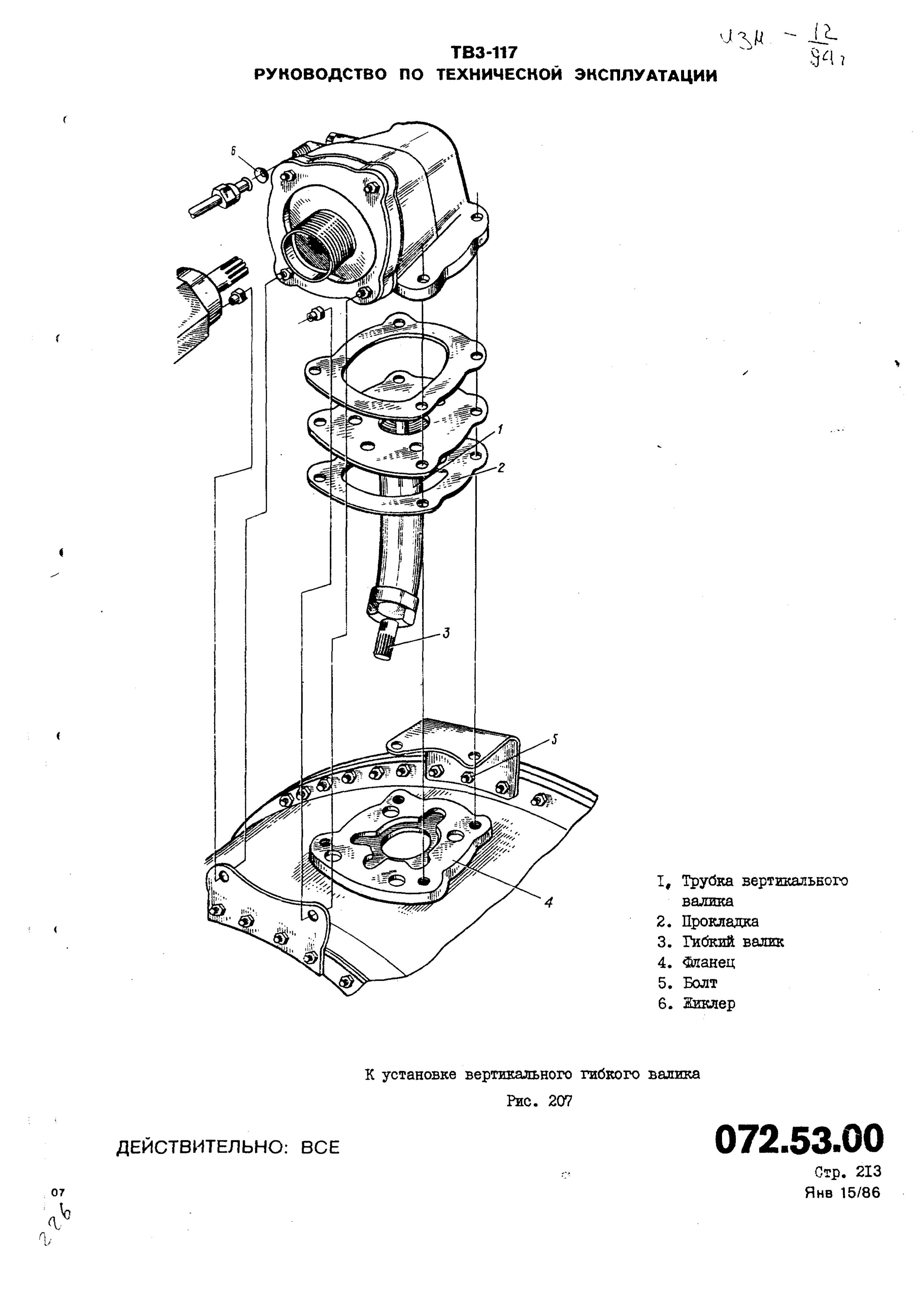
Галерея Технические описания Турбовальный двигатель ТВ3-117. Руководство по технической эксплуатации. Книга 1. TV3-117_RTE_B1_387


Расширенный поиск
Добавить фото в накопитель Экспорт RSS фото

Турбовальный двигатель ТВ3-117. Руководство по технической эксплуатации. Книга 1.

1. TV3-117_RTE... ... 384. TV3-117_RTE... 385. TV3-117_RTE... 386. TV3-117_RTE... 387. TV3-117_RTE... 388. TV3-117_RTE... 389. TV3-117_RTE... 390. TV3-117_RTE... ... 525. TV3-117_RTE...

TV3-117_RTE_B1_387

Дата: 17.10.2025
Полный размер: 2484x3521
следующаяпоследняя
первая предыдущая
TV3-117_RTE_B1_387
следующаяпоследняя
первая предыдущая