Our projects: ScaleModels.ru : Search : ScaleWiki : Souvenir Shop :
Вход Карта Популярные Свежие Login with OpenID Зарегистрироваться
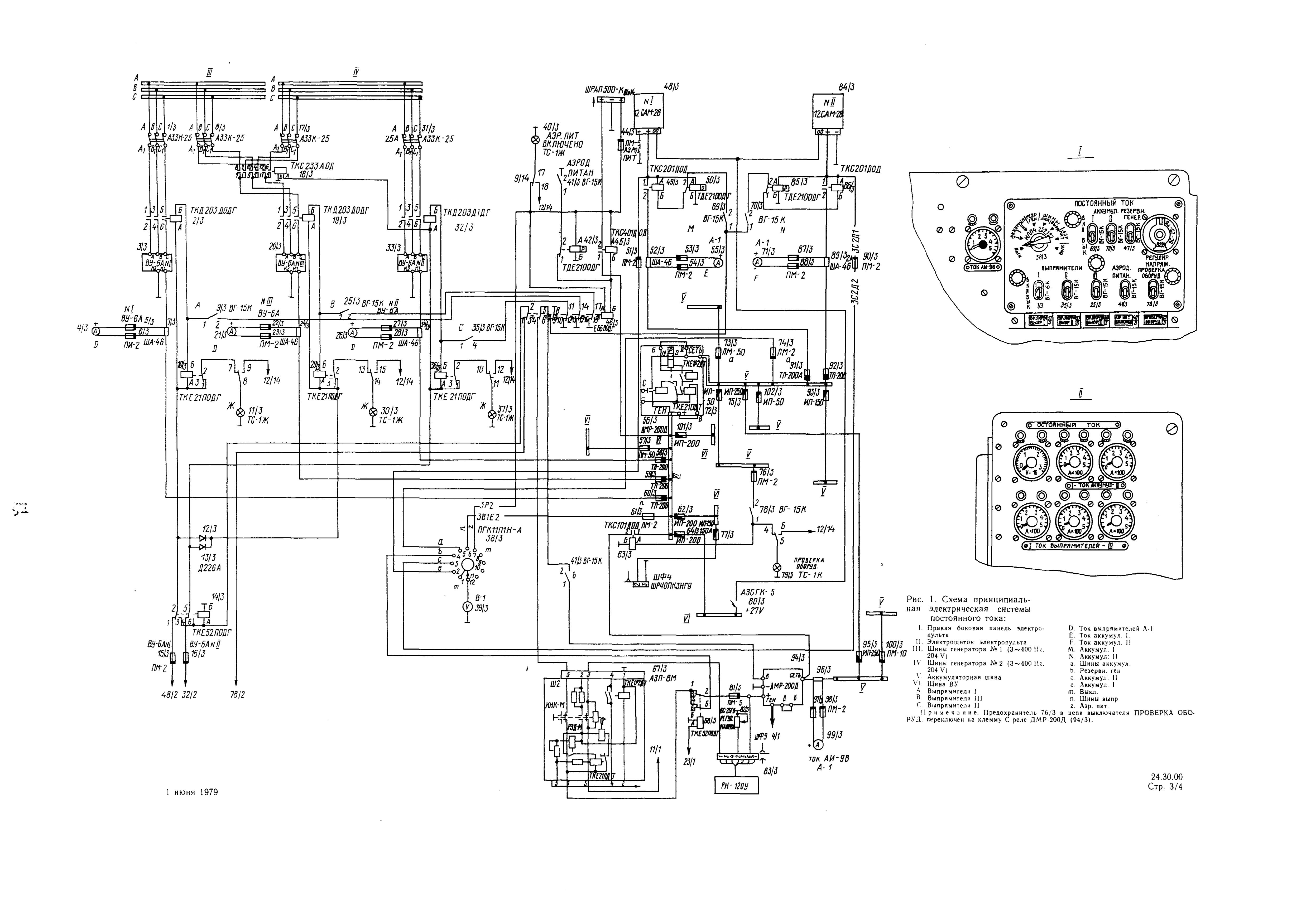
Галерея Технические описания Ми-8МТ. Руководство по технической эксплуатации. Книга 8. Авиационное оборудование. Mi-8MTV_RTE_B8_061


Расширенный поиск
Добавить фото в накопитель Экспорт RSS фото

Ми-8МТ. Руководство по технической эксплуатации. Книга 8. Авиационное оборудование.

1. Mi-8MTV_RTE... ... 58. Mi-8MTV_RTE... 59. Mi-8MTV_RTE... 60. Mi-8MTV_RTE... 61. Mi-8MTV_RTE... 62. Mi-8MTV_RTE... 63. Mi-8MTV_RTE... 64. Mi-8MTV_RTE... ... 267. Mi-8MTV_RTE...

Mi-8MTV_RTE_B8_061

Дата: 29.09.2025
Размер:
Полный размер: 4971x3505
следующаяпоследняя
первая предыдущая
Mi-8MTV_RTE_B8_061
следующаяпоследняя
первая предыдущая