Our projects: ScaleModels.ru : Search : ScaleWiki : Souvenir Shop :
Вход Карта Популярные Свежие Login with OpenID Зарегистрироваться
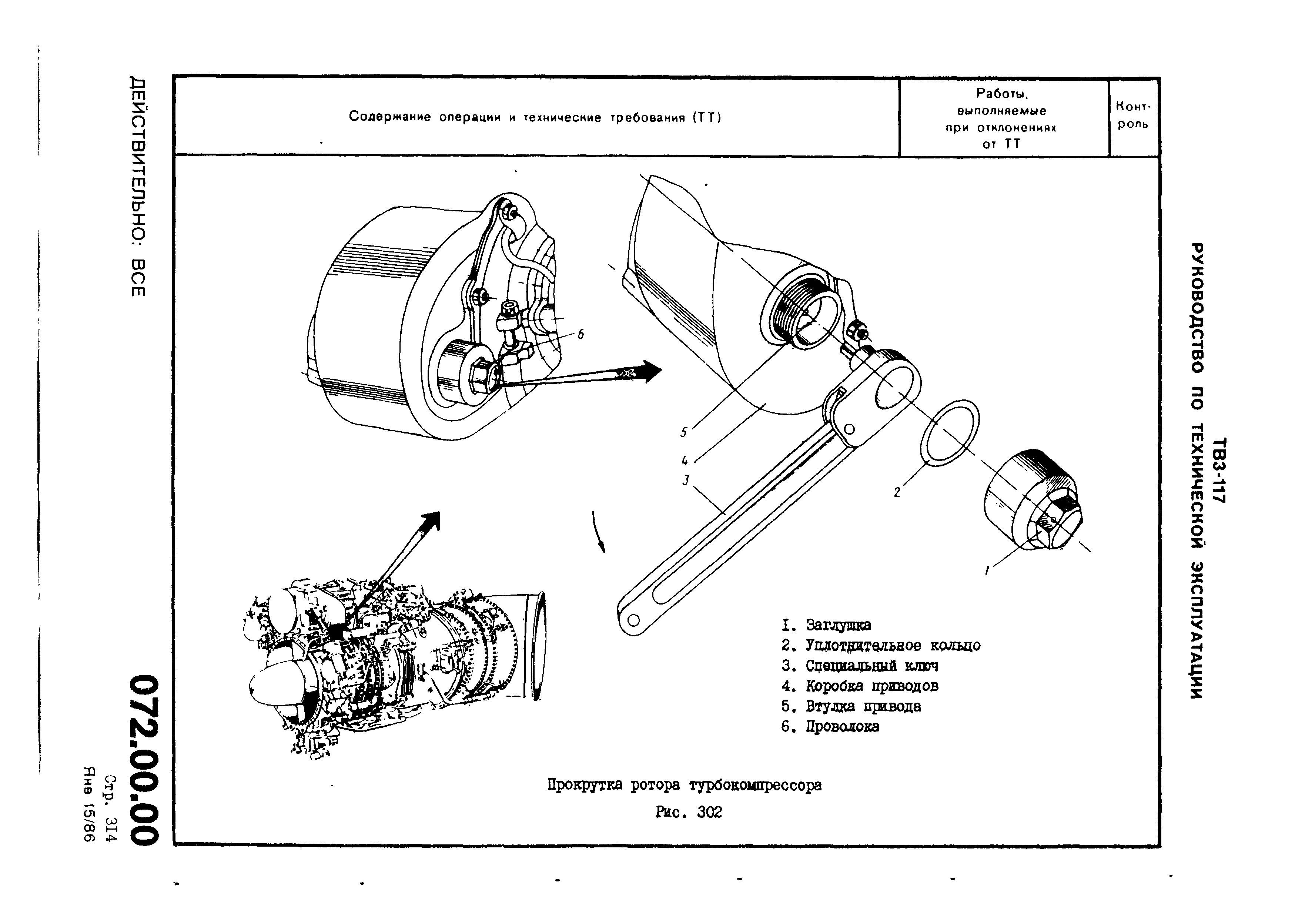
Галерея Технические описания Турбовальный двигатель ТВ3-117. Руководство по технической эксплуатации. Книга 1. TV3-117_RTE_B1_079


Расширенный поиск
Добавить фото в накопитель Экспорт RSS фото

Турбовальный двигатель ТВ3-117. Руководство по технической эксплуатации. Книга 1.

1. TV3-117_RTE... ... 76. TV3-117_RTE... 77. TV3-117_RTE... 78. TV3-117_RTE... 79. TV3-117_RTE... 80. TV3-117_RTE... 81. TV3-117_RTE... 82. TV3-117_RTE... ... 525. TV3-117_RTE...

TV3-117_RTE_B1_079

Дата: 15.10.2025
Размер:
Полный размер: 3525x2496
следующаяпоследняя
первая предыдущая
TV3-117_RTE_B1_079
следующаяпоследняя
первая предыдущая