Our projects: ScaleModels.ru : Search : ScaleWiki : Souvenir Shop :
Вход Карта Популярные Свежие Login with OpenID Зарегистрироваться
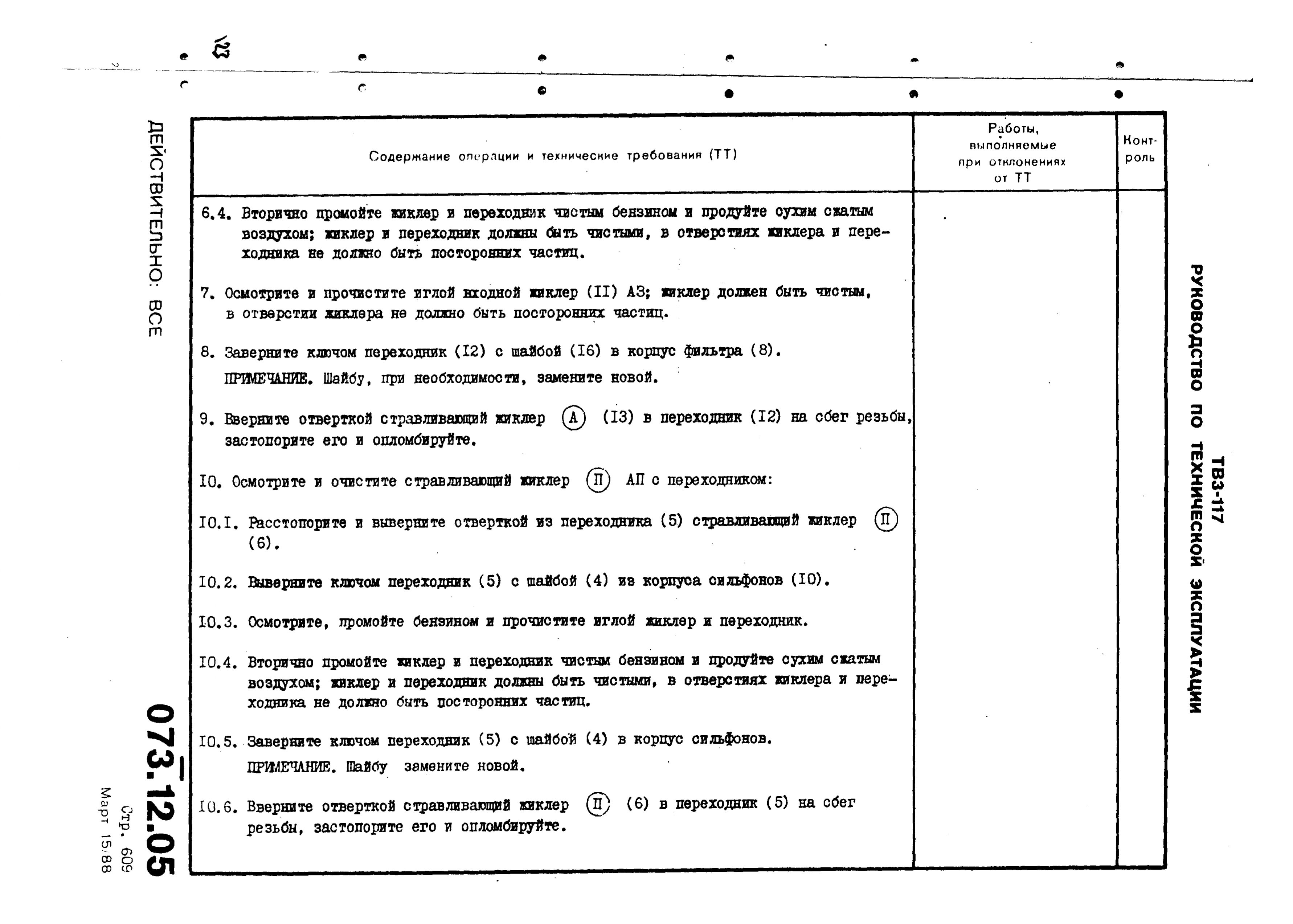
Галерея Private (Личные) BigSeXy Тех. лит. Турбовальный двигатель ТВ3-117. Руководство по технической эксплуатации. Книга 2. TV3-117_RTE_B2_200


Расширенный поиск
Добавить фото в накопитель Экспорт RSS фото

Турбовальный двигатель ТВ3-117. Руководство по технической эксплуатации. Книга 2.

1. TV3-117_RTE... ... 197. TV3-117_RTE... 198. TV3-117_RTE... 199. TV3-117_RTE... 200. TV3-117_RTE... 201. TV3-117_RTE... 202. TV3-117_RTE... 203. TV3-117_RTE... ... 389. TV3-117_RTE...

TV3-117_RTE_B2_200

Дата: 21.10.2025
Размер:
Полный размер: 3563x2546
следующаяпоследняя
первая предыдущая
TV3-117_RTE_B2_200
следующаяпоследняя
первая предыдущая